
Serie SY223 Válvula solenoide de latón de 2/2 vías
- Acción directa, normalmente cerrada
- Tamaño del puerto: 1/4"–2"
- Temperatura del fluido: -5°C a 80°C (-5°C a 120°C)
- Presión de operación: 0.07–1.6MPa
- Medios: aire, agua, aceite, gas
La serie SY223 es una válvula de solenoide de latón de 2/2 vías, normalmente cerrada y operada por piloto, diseñada para espacios industriales pequeños, con una reducción de volumen del 40% en comparación con las válvulas tradicionales del mismo calibre. Su innovador mecanismo interno permite una instalación omnidireccional de 360°, a diferencia de las electroválvulas tradicionales, que requieren una instalación direccional. Este diseño mejora considerablemente su adaptabilidad a tuberías complejas y espacios reducidos.
- El paso de 10mm de ancho garantiza una alta capacidad de flujo, un funcionamiento suave y un alto caudal.
- Los materiales de sellado opcionales para altas temperaturas (p. ej., NBR, EPDM, Viton) prolongan la vida útil de la válvula.
- Sin efecto de golpe de ariete (choque hidráulico) ni interferencias por vibración, lo que garantiza un funcionamiento estable y fiable.
- La bobina está completamente revestida de plástico termoendurecible, lo que proporciona un excelente aislamiento y protección.
- Fabricada con material duradero y compatible con múltiples medios, con bajos requisitos de mantenimiento.
- Dispositivos portátiles y maquinaria
- Maquinaria industrial compacta y sistemas de automatización
- Sistemas de control de aire comprimido
- Sistemas de tratamiento de agua
- Equipos de control de fluidos
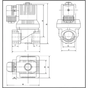
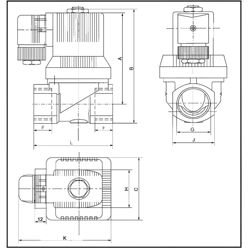
| Modelo | G | C | F | L | J | A | B | H | K |
|
|
1/4" | 45 | 16 | 52 | 27 | 82 | 96 | 40 | 80 |
|
|
1/2" | 45 | 16 | 52 | 27 | 82 | 96 | 40 | 80 |
|
|
3/4" | 45 | 16 | 63 | 31 | 82 | 96 | 40 | 80 |
|
|
1" | 65 | 18 | 82 | 41 | 96 | 117 | 40 | 90 |
|
|
1/4" | 96 | 20 | 132 | 58 | 112 | 145 | 40 | 132 |
|
|
11/2" | 96 | 20 | 132 | 58 | 112 | 145 | 40 | 132 |
|
|
2" | 111 | 22 | 160 | 70 | 125 | 166 | 40 | 160 |
| Categoría |
|
||
| Modo de funcionamiento | Acción directa | Tamaño del puerto | 1/4"–2" |
| Serie | SY223 | Función | Normalmente cerrado (NC) |
| Material del cuerpo | Latón | Cableado | Conector DIN |
| Método de control | Válvula solenoide | Nivel de protección | IP65 |
| Presión de funcionamiento | 0.07-1.6MPa | Montaje | Se requiere soporte |
| Material de sellado | NBR, EPDM, Vitón | Método de instalación recomendado | Montaje libre en cualquier ángulo |
| Temperatura del fluido | -5°C a 80°C (-5℃ a 120℃) | Opciones de roscado | Rosca BSP, NPT |
-
El mecanizado de precisión automatizado garantiza que cada componente se fabrique según especificaciones exactas, lo que prolongará la vida útil del producto.
-
El mecanizado de precisión de la válvula solenoide proporciona un corte automático de alta precisión. El mecanizado de 5 ejes, combinado con un pulido superficial de alta precisión, garantiza una concentricidad excepcional y una respuesta de hasta milisegundos.
-
Equipo de detección de alta/baja presión totalmente automático para detectar la hermeticidad de la válvula solenoide con alta precisión.
-
Prueba de fugas utilizando el método de inmersión en agua para garantizar cero fugas durante el funcionamiento continuo.
-
Cada válvula solenoide se somete a una prueba de salida de aire sumergiéndola en agua para garantizar cero fugas y un sellado confiable.
- Estricto control de calidad: Cada válvula se somete a 30 inspecciones de calidad, desde la materia prima hasta el producto final.
- Entrega rápida: Entrega rápida con un inventario suficiente de productos semiacabados para cumplir con pedidos urgentes.
- Válvula rentable: Ingeniería optimizada que ofrece la mejor relación calidad-precio en la industria.







