
Serie DMF-Z Válvula solenoide de 2/2 vías de aluminio fundido
- Operado por piloto, normalmente cerrado
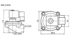
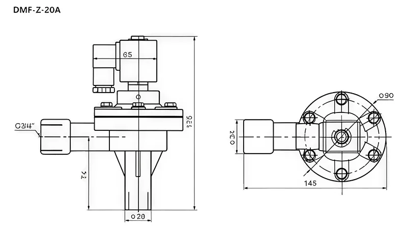
- Tamaño del puerto: 3/4"–3"
- Temperatura del fluido: -5°C a 55°C (-40°C a 80°C)
- Presión de operación: 0.3–0.8MPa
- Medio: aire
La serie DMF-Z es una válvula solenoide de pulso de ángulo recto operada por piloto, especialmente diseñada para sistemas industriales de recolección de polvo. Cuenta con un exclusivo canal de flujo de aire de 90° y un cuerpo de aluminio fundido de grado aeroespacial, compacto y resistente al desgaste. El mecanismo patentado de anillo elástico permite el reemplazo de la bobina sin herramientas, lo que facilita y agiliza el mantenimiento. Equipada con componentes internos de precisión que garantizan un movimiento estable del diafragma y un funcionamiento fiable por pulsos, con una vida útil de varios millones de ciclos, lo que mejora significativamente la eficiencia del sistema y la fiabilidad a largo plazo.
- El diseño en ángulo recto de 90° simplifica el diseño de la tubería y ahorra espacio y tiempo de instalación.
- Opciones de montaje con rosca NPT y brida, con diseño de tuerca especial para una instalación rápida.
- Modelos opcionales a prueba de explosiones (con certificación ATEX) y soporte de montaje antivibración disponibles para entornos peligrosos o con alto nivel de ruido.
Esta válvula solenoide de pulso es ideal para sistemas industriales de recolección de polvo que operan en entornos con alta concentración de polvo o humedad. Garantiza una limpieza eficiente en un amplio rango de temperaturas y es compatible con polvo de madera, polvo abrasivo y partículas similares. Esta válvula se utiliza comúnmente en:
- Molienda de harina: en entornos de procesamiento de alimentos a baja temperatura.
- Fabricación de muebles: para la extracción de aserrín y polvo fino.
- Fabricación de cemento: para la extracción de gases de horno a alta temperatura.
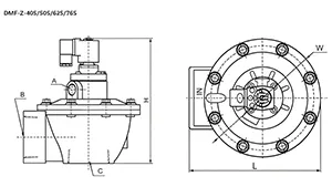
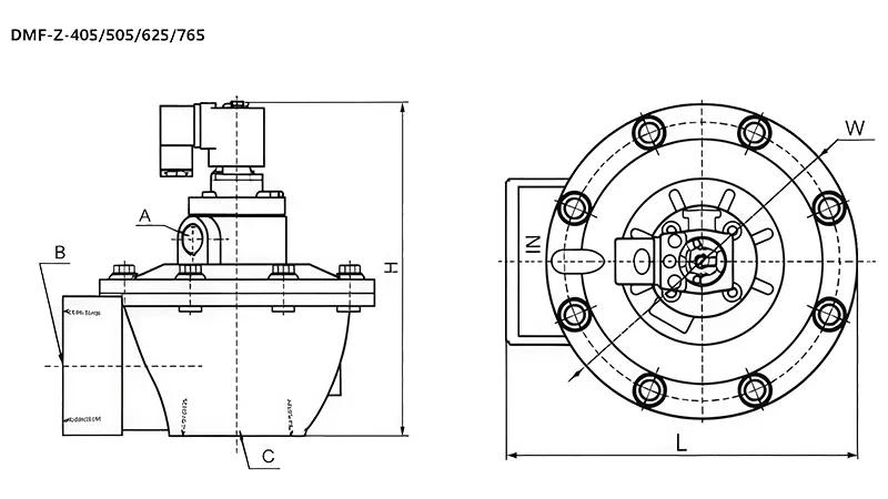
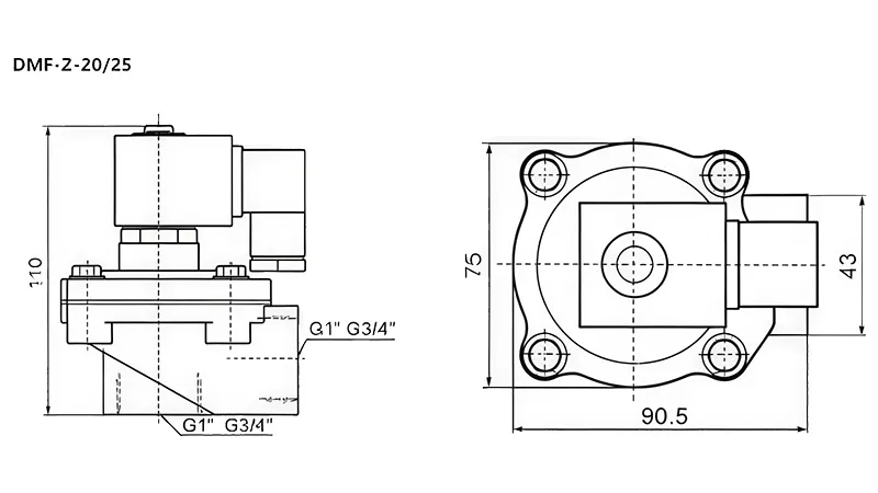
| Modelo | A | B | C | L | W | H |
|
|
G1/8" | G11/2" | G11/2" | 135.5 | 128 | 173 |
|
|
G3/8" | G2" | G2" | 210 | 185 | 202 |
|
|
G3/8" | G21/2" | G21/2" | 210 | 185 | 222 |
|
|
G3/8" | G3" | G3” | 230.5 | 200 | 245 |
| Categoría |
|
||
| Modo de funcionamiento | Operado por piloto | Tamaño del puerto | 3/4"–3" |
| Serie | DMF-Z | Función | Normalmente cerrado (NC) |
| Material del cuerpo | Aluminio fundido | Cableado | Conector DIN |
| Método de control | Válvula solenoide | Nivel de protección | IP65 |
| Presión de funcionamiento | 0.3–0.8MPa | Montaje | Se requiere soporte |
| Material de sellado | NBR | Método de instalación recomendado | Horizontalmente |
| Temperatura del fluido | -5°C a 55°C (-40°C a 80°C) | Opciones de roscado | Rosca BSP, NPT |
-
El mecanizado de precisión automatizado garantiza que cada componente se fabrique según especificaciones exactas, lo que prolongará la vida útil del producto.
-
El mecanizado de precisión de la válvula solenoide proporciona un corte automático de alta precisión. El mecanizado de 5 ejes, combinado con un pulido superficial de alta precisión, garantiza una concentricidad excepcional y una respuesta de hasta milisegundos.
-
Equipo de detección de alta/baja presión totalmente automático para detectar la hermeticidad de la válvula solenoide con alta precisión.
-
Prueba de fugas utilizando el método de inmersión en agua para garantizar cero fugas durante el funcionamiento continuo.
-
Cada válvula solenoide se somete a una prueba de salida de aire sumergiéndola en agua para garantizar cero fugas y un sellado confiable.
- Estricto control de calidad: Cada válvula se somete a 30 inspecciones de calidad, desde la materia prima hasta el producto final.
- Entrega rápida: Entrega rápida con un inventario suficiente de productos semiacabados para cumplir con pedidos urgentes.
- Válvula rentable: Ingeniería optimizada que ofrece la mejor relación calidad-precio en la industria.









