
Serie DMF-Y Válvula solenoide de 2/2 vías con chorro de pulso de aluminio fundido
- Operado por piloto, normalmente cerrado
- Tamaño del puerto: 3/4"–3"
- Temperatura del fluido: -5°C a 55°C (-40°C a 80°C)
- Presión de operación: 0.3–0.8MPa
- Medio: aire
La serie DMF-Y es una válvula solenoide de pulso operada por piloto, diseñada para sistemas industriales de recolección de polvo. Estas válvulas operan eficientemente en un rango de presión de trabajo de 3 a 8 bar, ofrecen una respuesta rápida y un potente rendimiento de chorro de pulso, lo que garantiza una limpieza eficaz de filtros y bolsas de polvo. El cuerpo de la válvula está fabricado en aluminio fundido de grado industrial resistente a la corrosión con un diseño estructural optimizado. El diseño de la bobina con anillo elástico permite un reemplazo sin herramientas, mientras que el diafragma duradero ofrece una vida útil de más de 500,000 ciclos, manteniendo una alta confiabilidad y estabilidad de limpieza incluso en condiciones adversas.
- La estructura de accionamiento piloto con diseño de diafragma optimizado garantiza una respuesta rápida y una potente inyección para un excelente rendimiento de limpieza.
- La estructura de doble diafragma y resorte de disco cónico mejora la estabilidad de reajuste del diafragma y prolonga su vida útil.
- El cuerpo compacto de aluminio fundido ofrece resistencia a las vibraciones y durabilidad en instalaciones estrechas.
- Opciones de rosca NPT estándar, con diseño de tuerca especial para una fácil instalación en tuberías y versión opcional a prueba de explosiones.
- Larga vida útil con más de 500,000 ciclos de conmutación, cumpliendo con las normas internacionales de eliminación de polvo industrial.
Esta válvula garantiza una eliminación de polvo uniforme y potente en condiciones de alta humedad y polvo. Garantiza una limpieza eficiente en un amplio rango de temperaturas y es compatible con polvo de madera, polvo abrasivo y otros materiales. Esta válvula se utiliza comúnmente en:
- Molienda de harina: entornos de procesamiento de alimentos a baja temperatura
- Fabricación de muebles: sistemas de extracción de aserrín y fibra
- Fabricación de cemento: polvo de horno a alta temperatura
| Modelo |
|
|
|
|
| A | G3/8" | G3/8” | G3/8" | / |
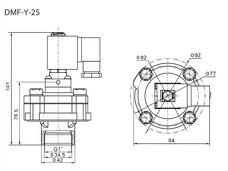
| B | 99.5 | 106.5 | 113 | / |
| C | Ø64.5 | Ø80 | Ø90 | Ø86 |
| D | Ø78.5 | Ø93.5 | Ø109 | Ø90 |
| E | Ø118 | Ø145 | Ø141 | Ø158 |
| F | 25 | 34.5 | 27 | 33.5 |
| G | 31 | 35 | 34 | 50 |
| H | 187 | 197 | 205 | / |
| I | Ø200 | Ø230 | Ø248 | Ø200 |
| J | Ø180 | Ø208 | Ø227 | Ø176 |
| K | Ø159 | Ø184 | Ø200 | / |
| M | 6- Ø 11.5 | 6- Ø 11.5 | 6- Ø 11.5 | 8- Ø 11 |
| N | Ø61.5+0.44 +0.22 | Ø75+0.44 +0.22 | Ø892+0.44 +0.22 | Ø85+0.44 +0.22 |
| 0 | 50 | 62 | 76 | 76 |
| P | 43.5 | 44 | 34 | 34 |
| Categoría |
|
||
| Modo de funcionamiento | Operado por piloto | Tamaño del puerto | 3/4"–3" |
| Serie | DMF-Y | Función | Normalmente cerrado (NC) |
| Material del cuerpo | Aluminio fundido | Cableado | Conector DIN |
| Método de control | Válvula solenoide | Nivel de protección | IP65 |
| Presión de funcionamiento | 0.3–0.8MPa | Montaje | Se requiere soporte |
| Material de sellado | NBR | Método de instalación recomendado | Horizontalmente |
| Temperatura del fluido | -5°C a 55°C (-40°C a 80°C) | Opciones de roscado | Rosca BSP, NPT |
-
El mecanizado de precisión automatizado garantiza que cada componente se fabrique según especificaciones exactas, lo que prolongará la vida útil del producto.
-
El mecanizado de precisión de la válvula solenoide proporciona un corte automático de alta precisión. El mecanizado de 5 ejes, combinado con un pulido superficial de alta precisión, garantiza una concentricidad excepcional y una respuesta de hasta milisegundos.
-
Equipo de detección de alta/baja presión totalmente automático para detectar la hermeticidad de la válvula solenoide con alta precisión.
-
Prueba de fugas utilizando el método de inmersión en agua para garantizar cero fugas durante el funcionamiento continuo.
-
Cada válvula solenoide se somete a una prueba de salida de aire sumergiéndola en agua para garantizar cero fugas y un sellado confiable.
- Estricto control de calidad: Cada válvula se somete a 30 inspecciones de calidad, desde la materia prima hasta el producto final.
- Entrega rápida: Entrega rápida con un inventario suficiente de productos semiacabados para cumplir con pedidos urgentes.
- Válvula rentable: Ingeniería optimizada que ofrece la mejor relación calidad-precio en la industria.











